2645973
市教育局关于2025年武汉市各级各类教育事业计划的意见
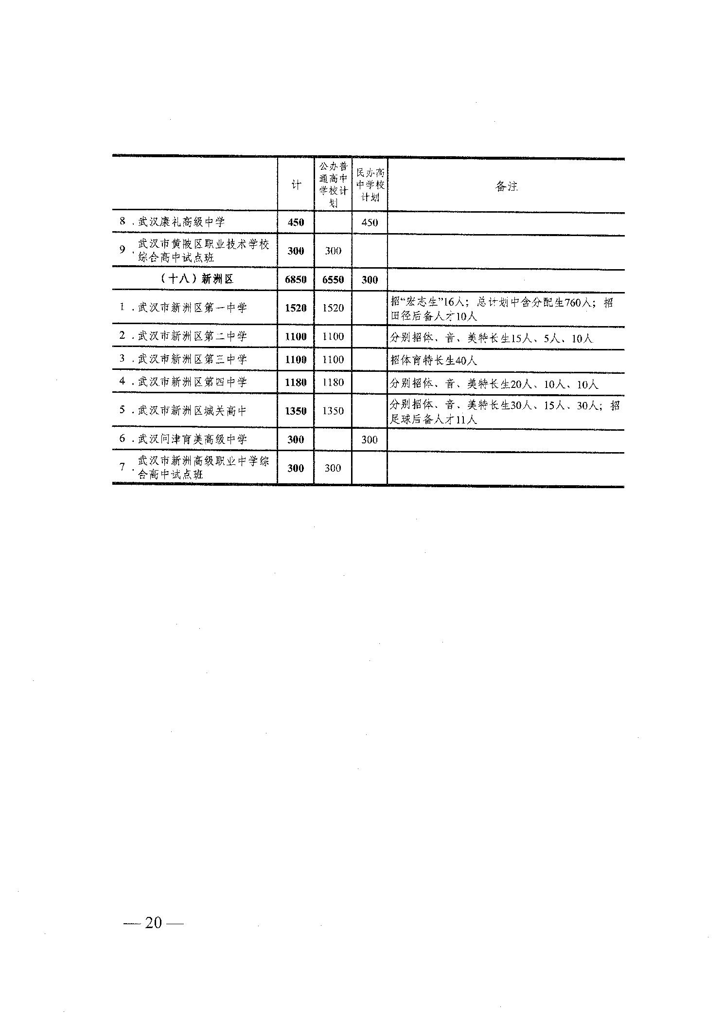
20
区教育局
2025-09-10
70664
义务教育
Document
Ai政务问答
中央人民政府门户网站
|
湖北省政府门户网站
|
长者专区
|
智能推荐
预付式消费提示
居民水电气表计量管理和价格收费消费提示
季节性消费提示
零售药店安全购药消费提示
护照签证
不动产登记
住房公积金
市人民政府办公厅关于印发武汉市推进以科技为支撑...
区人民政府办公室关于印发《武昌区推进楚商回乡工...
区人民政府办公室关于印发《区政协十五届四次会议...
区人民政府办公室关于印发《政协武昌区 第十五届委...
首页
政府信息公开
政务服务
政民互动
走进武昌
数据发布
专题专栏
政府信息公开
»
法定主动公开内容
»
公益事业建设
»
教 育
»
义务教育
市教育局关于2025年武汉市各级各类教育事业计划的意见
2025-09-10 11:50
来源:
区教育局
×
您访问的链接即将离开“
”门户网站 是否继续?
人大
简