2314554
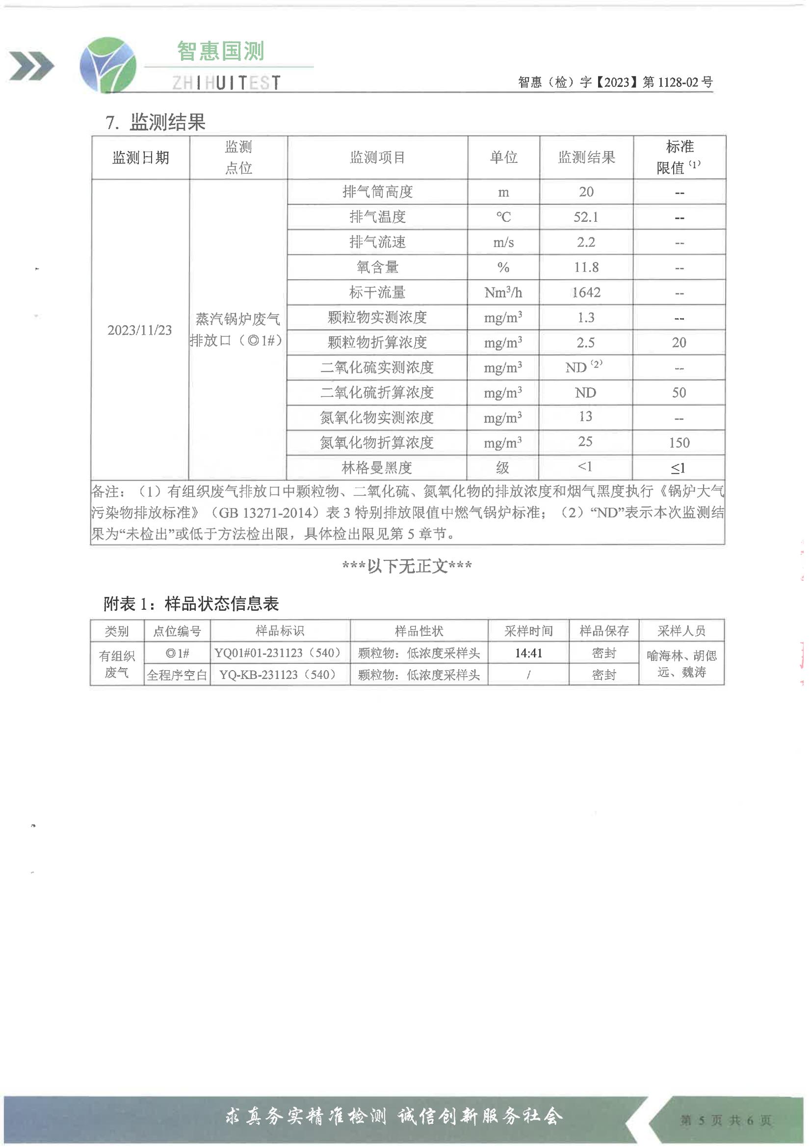
武汉市第三医院(首义院区)废气监测
20
2023-12-07
46611
环境污染处罚及重点企业污染源信息
Document
Ai政务问答
中央人民政府门户网站
|
湖北省政府门户网站
|
长者专区
|
智能推荐
新国标电动自行车消费提示
预付式消费提示
居民水电气表计量管理和价格收费消费提示
季节性消费提示
护照签证
不动产登记
住房公积金
市人民政府办公厅关于印发武汉市推进以科技为支撑...
区人民政府办公室关于印发《武昌区推进楚商回乡工...
区人民政府办公室关于印发《区政协十五届四次会议...
区人民政府办公室关于印发《政协武昌区 第十五届委...
首页
政府信息公开
政务服务
政民互动
走进武昌
数据发布
专题专栏
部门街道政府信息公开
»
武汉市生态环境局武昌区分局
»
法定主动公开内容
»
公益事业建设
»
生态环境
»
环境污染处罚及重点企业污染源信息
武汉市第三医院(首义院区)废气监测
2023-12-07 09:57
来源:
武汉市武昌区生态环境局
×
您访问的链接即将离开“
”门户网站 是否继续?
人大
简