头部
网站首页
武昌资讯
政府信息公开
政务服务
政民互动
走进武昌
专题专辑
首页
>
政府信息公开
>
法定主动公开内容
>
其它主动公开内容
>
数据公开
>
环境保护
名 称:
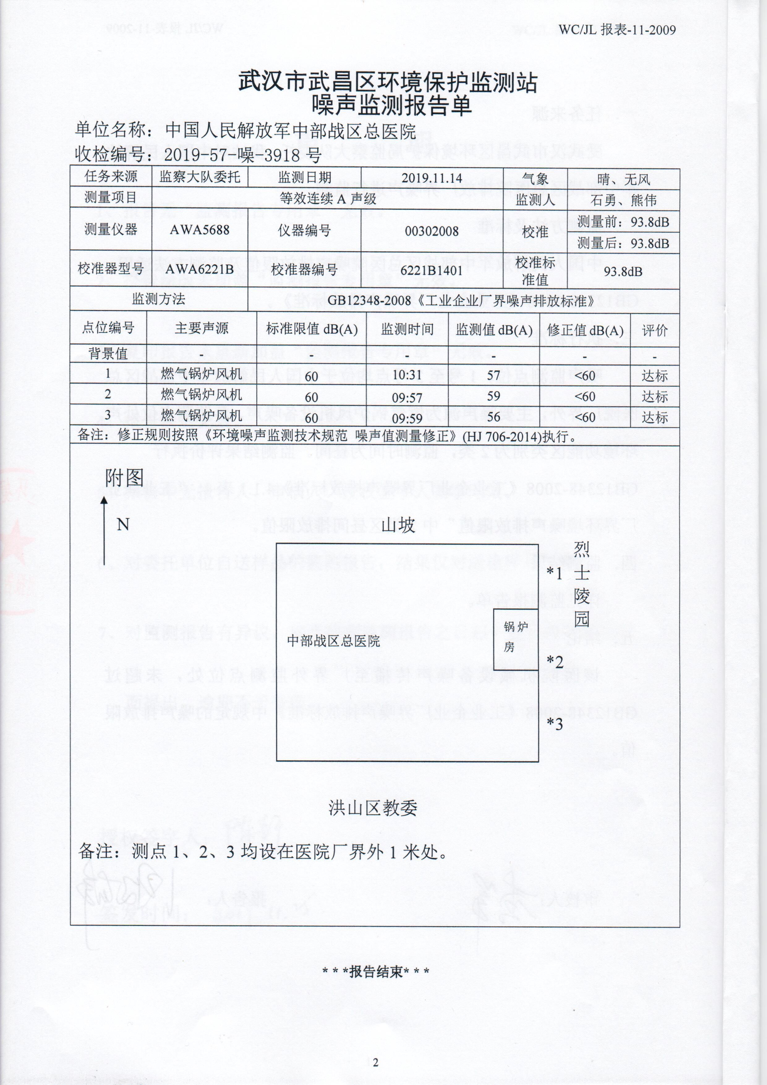
中国人民解放军中部战区总医院噪声监测报告
发布机构:
区环保局
文 号:
无
索 引 号:
007482532-03-2019-2134902
公开日期:
2019年12月18日
公开方式:
有效
中国人民解放军中部战区总医院噪声监测报告
打印本页
关闭
返回顶部
通用底部